Si votre fosse est installée bien en profondeur dans le sol, vous pouvez ajouter une rehausse Robert Thébault pour permettre son raccordement.
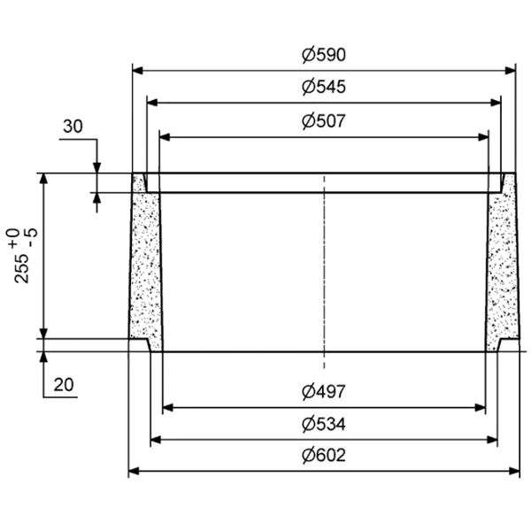
- Pose par emboîtement.
- En béton.
- Étanchéité à réaliser avec du joint Butyl de section 22×22 ou du joint pompe type silicone ou polyuréthane (non fournis).
Modèles compatibles :
- Fosses Maxi-Eco de 2000, 3000, 4000, ou 5000 litres.
- Fosses Allégées de 3000, 4000, ou 5000 litres.
- Fosses Oblongues de 6000 ou 10 000 litres.
- Citernes à débit régulé.
- Bacs séparateurs à graisse.








Avis
Il n’y a pas encore d’avis.